 |
CV32 VERTICAL MULTI-STAGE CENTRIFUGL PUMPS
Application
CV32 is a kind of multifunctional products.It can be used to convey various from tap water to industrial liquid at different temperature and with different flow rate and pressure.CV32 type is applicable to conveying non-corrosive liquid,while CV32 is suitable for slightly corrosive liquid.
8Water supply: Water filter and transport in Waterworks, boosting of main pipeline, boosting in high-rise buildings. 8Industrial boosting: Process flow water system, cleaning system, high-pressure washing system, fire fignting system. 8Industrial liquid conveying: Cooling and air-conditioning system, boiler water suppy and condensing system, machine-accociated purpose, acids and alkali. 8 Water treatment: Ultrafiltration system, reverse osmosis system, boiler water supply and condensing system, distillation system, separator, swimming pool. 8 Irrigation: Farmland riiigation, spray irrigation, dripping irrigation.
Operation conditions
8Thin, clean, non-flammable and non-explosive liqid containing no solid granules and fibers. 8Liquid temperature: Normal temperature type: -15℃~+70℃,Hot water type: +70℃~+120℃ 8Ambient temperature: up to +40℃. 8 Altitude: up to 1000m.
Pump
CV32 is a kind of vertical non-self priming multistage centrifugal pump,which is driven by a standard electric motor. The motor output shaft directly connects with the pump shaft through a coupling. The pressure-resistant cylinder and flow passage components are fixed between pump hesd and in-and outlet section with tie-bar bolts. The inlet and outlet are located at the pump bottom at the same plane. This kind of pump can be equipped with an intelligent protector to effectively prevent it from dry-running, out-of-phase and overload.
Electric motor
8Full-enclosed air-blast two-pole standard motor. 8Protection class: IP55 8Insulation class: F 8 Standard voltage: 60Hz: 1 x 220-230 / 240V 3 x 200-220 / 346-380V 3 x 220-240 / 380-415V 3 x 380-415V
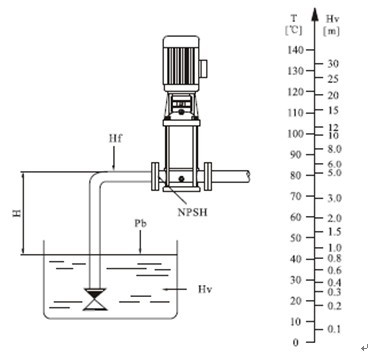
Minimum inlet pressure NPSH
 In case that the pressure in pump is lower than the steam pressure used to convey liquid, the cavitations will occur. To avoid cavitations, a minimum pressure at the inlet side of the pump shall be guaranteed. The maximum suction stroke can be calulated with following formula: H=Pb x 10.2-NPSH-Hf-Hs Pb=atmosphere pressure [bar] (can be set as 1bar) In a closed system, Pb means system pressure [bar] NPSH=Nct positive suction head [m] (It can be read out from the point of possible max. flow rate shown on NPSH curve) Hf=Pipeline loss at the inlet [m] Hv= Steam pressure [m] Hs= Safety margin=Minimum 0.5m delivery head If the calculated result H is positive, the pump may run under the max. Suction stroke H. In case the calculated result H is negative, a delivery head of min.Inlet pressure is necessary.


|